Product Pricing Request
Due to the fluctuation in raw material and/or finishing prices the item you selected requires that we calculate pricing for you based upon your specific needs using the most current pricing and availability. A quotation, based on your specification, will be emailed directly to you. Please complete the required fields below and click on submit and we’ll go to work for you.
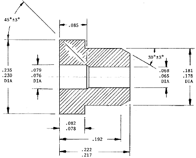
Product Number: 675-2 Product Description: HJ INSULATOR, PTFE Category: HIRAM JONES Material: PTFE Units: Finish: None Quantity Available: 15120 Product Leadtime: 8-9 Weeks
• Leadtime only applies to quantities greater than stock on hand. Quantity per Pack: • Leadtime may vary due to material availability.
Engineering Image

Quote Request send

Product Number* Quantity* Name* Email* Title Company*
Address
City
State
Zip
Phone*
Fax
Comment