Product Pricing Request
Due to the fluctuation in raw material and/or finishing prices the item you selected requires that we calculate pricing for you based upon your specific needs using the most current pricing and availability. A quotation, based on your specification, will be emailed directly to you. Please complete the required fields below and click on submit and we’ll go to work for you.
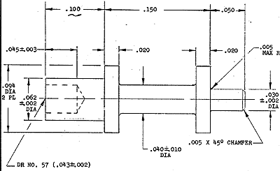
Product Number: 09-052 Product Description: HJ TERMINAL, BRASS Category: HIRAM JONES Material: Brass Units: Finish: None Quantity Available: 0 Product Leadtime: 8-9 Weeks
• Leadtime only applies to quantities greater than stock on hand. Quantity per Pack: • Leadtime may vary due to material availability.
Engineering Image

Quote Request send

Product Number*   Quantity*   Name*   Email*   Title Company*  
Address
City
State
Zip
Phone*  
Fax
Comment