Seastrom logo menu
close
Home Search Request a Quote Custom Capabilities Standard Hardware Military Hardware Standard Washers Engineering Resources About Us Contact Us Customer Service Login Register View Cart Checkout
Seastrom Manufacturing Co., Inc.
LOGIN | REGISTER
1-800-634-2356
shopping_cart
View Cart Checkout
  • Catalog & Military Washers
    • Standard Flat Washers
    • Military Washers
    • ANSI Standard Washers
    • Pre-Packaged Washers
    • Centering Washers
    • Clipped Washers
    • Countersunk Washers
    • C-Shaped Washers
    • D-Shaped Washers
    • D-Shaped Hole Washers
    • Flattened Shaft Washers
    • Key Washers
    • Laminated Washers
    • Lock Washers
    • Notch Washers
    • Rectangular Washers
    • Retaining Washers
    • Retention Washers
    • Shoulder Washers
    • Split Washers
    • Spherical Washers
    • Spring Washers
    • Square Washers
    • Square Hole Washers
    • Tab Washers
    • Terminal Cup Washers
  • Assembly Hardware
    • Bus Bars
    • Clamps & Brackets
    • Expansion Plugs
    • Formed Nuts
    • Ground Straps
    • Hiram Jones Terminals
    • Jumpers
    • Push-On Nuts
    • Retaining Rings
    • Solder Lugs
    • Solid State Insulators
    • Spacers
    • Spring Clips
    • Tags
  • Military Hardware
    • AN
    • M
    • MS
    • NAS
    • Aircraft/Aerospace Industry Approved
  • Precision Stamping
  • CNC Machining
  • Industries
    • Defense
    • Aerospace
    • Electronics
    • Communications
    • Energy
    • Medical
    • Agriculture
    • Machinery
    • Firearms
  • Resources
    • Certification and Compliance
    • Terms & Conditions
    • Environmental Statement
    • Credit Application
    • Seastrom FAQs
    • Engineering Data
    • Engineering Reference Handbook
    • Product Directory
    • How to Specify Special Parts
  • About Us
    • Contact Us
    • About Us
    • Testimonials
    • Careers
    • Survey
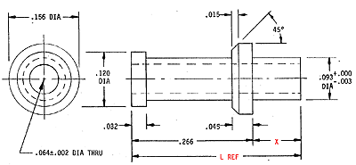
Product Search - Hiram Jones / 09-134-1
images/hj/hj_09-134-1.gif
Download Catalog for Hiram Jones / 09-134-1 Don't see what you need? REQUEST A QUOTE
Don't see what you need?
search icon Click here to revise your search
search icon Click here to request a custom quote
Click on the Column Name to re-sort data.
Dimensions in Inches
Product NumberXL RefBoard ThicknessFinishMaterialStockLeadtimeGet Pricing
09-134-10.1050.3711/16" Brass08-9 WeeksPrice
Export only current results page?

Contact Us

  • Request a Quote
  • call1-800-634-2356
  • emailinfo@seastrom-mfg.com
  • location_on456 Seastrom St, Twin Falls, ID 83301

Company Info

  • About Us
  • Industries Served
  • Credit Application
  • Certification and Compliance
  • Terms and Conditions
  • Sitemap

Product Directory

  • Round Washers & Shims, ANSI Washers
  • Specialty Washers
  • Military Washers
  • Pre-packaged Washers
  • Assembly Hardware
  • Military Hardware

Purely Custom

  • Bike Fitting
  • Bike Accessories

Subsidiaries

  • Seastrom Stamping
  • Acacia Machining
  • Precision Metalforming Association
  • Precision Machined Products Association
  • ISO 100 Compliant
  • AS 9100 Compliant
  • Environmental Statement
  • Made in USA
  • ROHS Compliant
  • DFARS Compliant
  • Federal Firearms License
  • ITAR Compliant
  • Cage Code
icon-payment-visa icon-payment-mastercard icon-payment-discover icon-payment-amex

Use of this site acknowledges agreement of our Terms and Conditions. All website design, text, graphics, and the selection and arrangement thereof, are the property of Seastrom Manufacturing Co., Inc. and are Copyright ©2026 Seastrom Manufacturing Co., Inc. All Rights Reserved. SEASTROM, SEASTROM MANUFACTURING and the Seastrom logo are trademarks owned by Seastrom Manufacturing Co., Inc.