Product Search - Solid State Insulators / 5200

Complete the required fields and click "Submit" below. Your quote will be emailed to Seastrom for prompt handling.


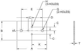
Engineering Image

Quote Request send

* required fields

Whenever possible, please attach a drawing of the part.
This will help to expedite the quote.
(Accepts only the following formats: .dwg, .dxf, .prt, .sat)